L Shape With Extension Shower Grab Rail - TPG22
Special Order 2-5 Business Days
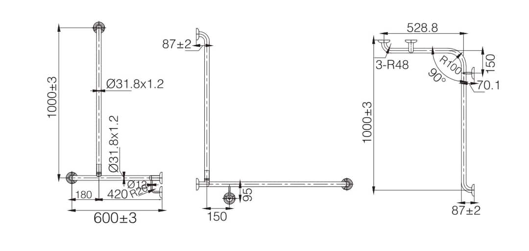
L shape with extension, Shower Grab Rail
Available for Left Hand & Right Hand
Specifications
Stainless Steel
Colour:
Stainless Steel Finish
Diameter of 32mm, can fit TPH132 or TPH1350X on
2 Years replacement parts or complete
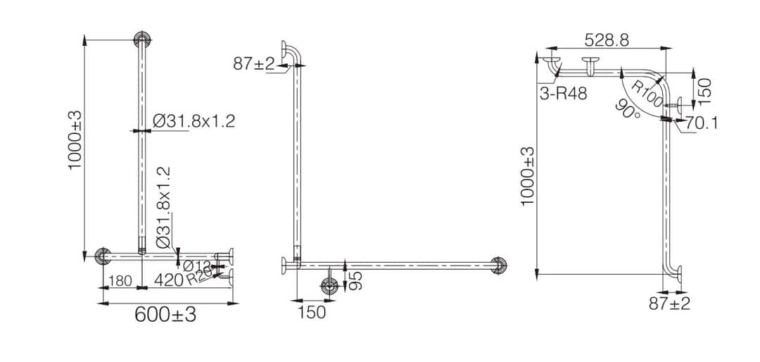
L shape with extension, Shower Grab Rail
Available for Left Hand & Right Hand
Specifications
Stainless Steel
Colour:
Stainless Steel Finish
Diameter of 32mm, can fit TPH132 or TPH1350X on
2 Years replacement parts or complete
Pick up:
Arova offers Free pickup from our warehouses in Melbourne. Our pick up address is:
- 14 Latitude Blvd, Thomastown, VIC 3074
- 85 Proximity Drive, Sunshine West VIC 3020
- 77-79 Glenvale Cres, Mulgrave VIC 3170
Delivery:
Available to purchase online with Australia wide delivery. Please check the Delivery for details.
[30 Day Returns Policy for Change of Mind]- All surfaces should be cleaned with mild liquid detergent or soap and water.
- Do not use cream cleaners or citrus based cleaning products, as they are abrasive.
- Use of unsuitable cleaning agents may damage the surface. Any damage caused in this way will not be covered by warranty.












